2003 Mazda Miata¶
See also Mazda Miata 2003 alt
For power see Mazda Miata 2002 - Starting & Power

Coil three wire plug:
middle wire GND
pin closer to the engine is +12v
pin further away from the engine signal
| desc | type | rusEFI harness |
|---|---|---|
| MAP signal | analog | blue |
| AFR signal | analog | white |

Individual pages for printing:



Automatic Transmission¶
see Mazda Miata 2001 - Automatic Transmission

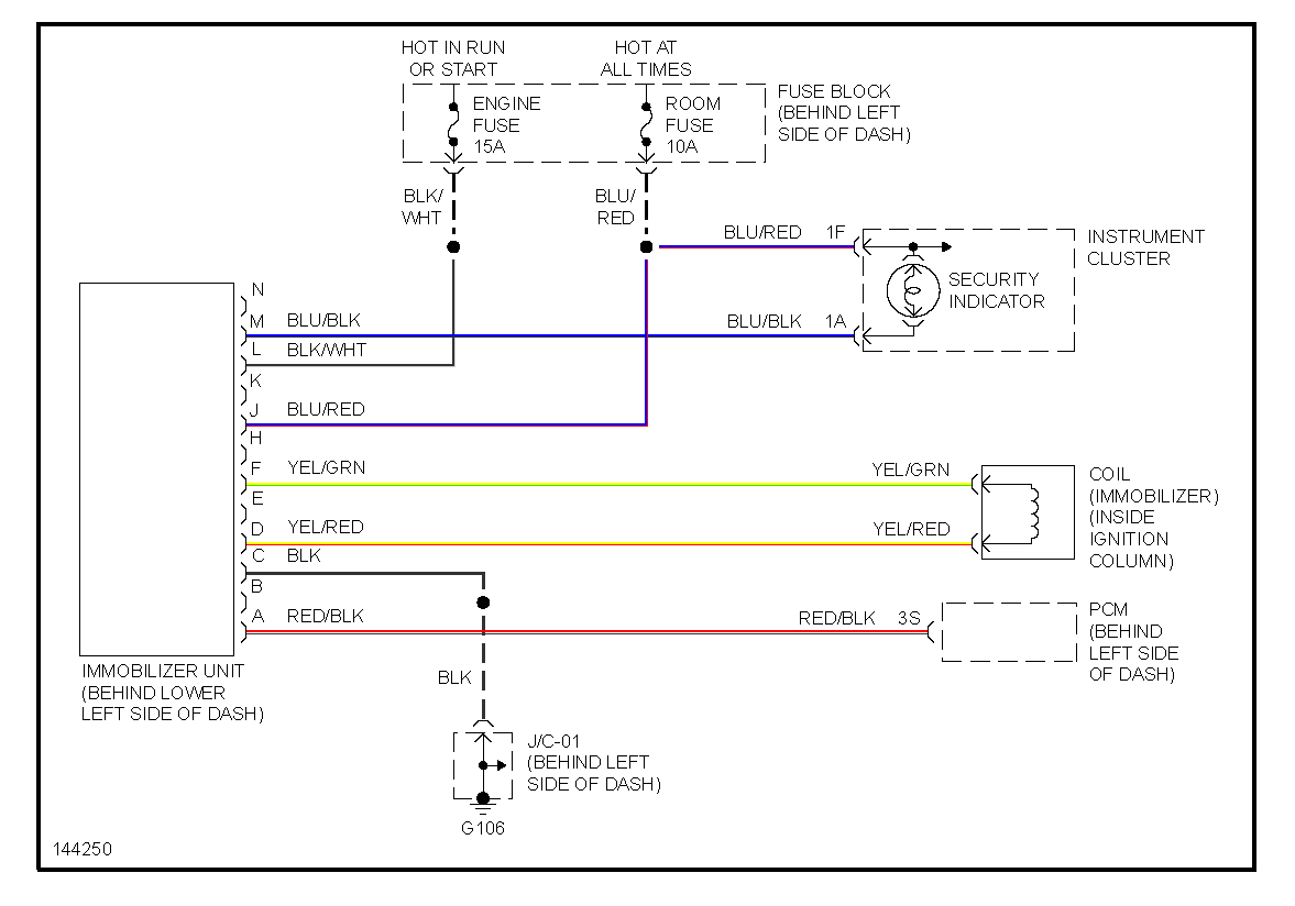
Immobilizer¶
NALDEC NC87 67 790 MAZDA MX5 EUNOS MK2 MK2.5 BURGLAR ALARM MODULE NC8767790 is not an immobilizer
US immobilizer

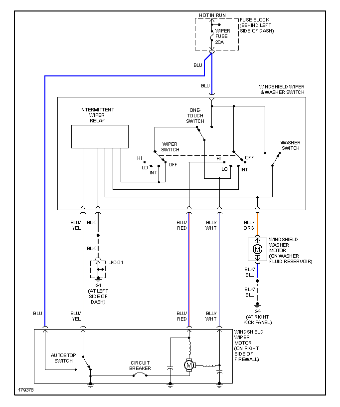
Wiper Motor¶

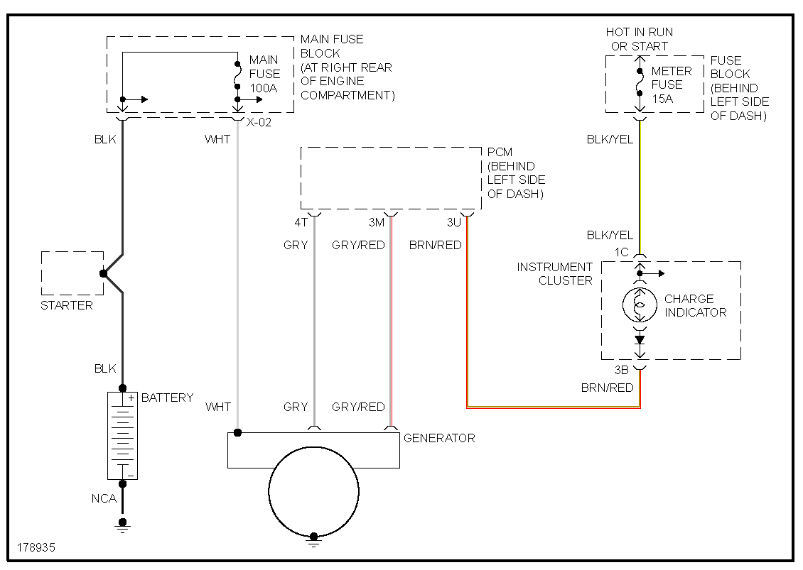
Charging¶

Air Conditioning¶

See also Mazda Miata 2002
Starting & power¶
In start or run ECU is powered from Engine Fuse 15A (behind left side of dash) via 4S. (This is different from 2002 - nothing on 4S in 2002)
ECU controls main relay via 3H. (This is different from 2002 - nothing on 3H in 2002)
ECU gets +12v from main relay output 4AF which is used as +12v source for VVT (4D) and IAC (2P).
Fly-back diode - stripe facing +12 - is needed between VVT 4D (power, stripe side) and VVT control 4R.
Fly-back diode - stripe facing +12 - is needed between IAC 2P (power, stripe side) and IAC control 2Q.
See http://rusefi.com/forum/viewtopic.php?f=3&t=906&p=25018l#p25018
For ignition key see Mazda Miata 2002 - Starting & Power
Misc¶
Two timing marks - the left one is TDC